м. Тернопіль вул. Об'їзна, 12/25.1
Пн - Пт. 09:00-17:00, СБ 9:00 - 13:00
office@ht-heiztechnik.ua
+38 050 227 8036

Пошук

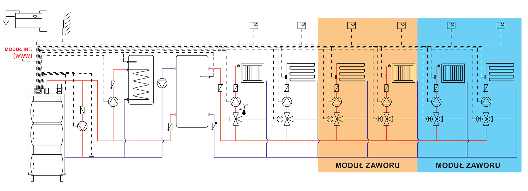
HT-tronic 251

Регулятор з погодним управлінням для ручних котлів середної потужності. Цим регулятором обладнані котли Q PULS AGRO, Q PLUS AGRO B, Q Max Plus, Q Max Plus DR.

  • Опис
  • HT-tronic 251 – погодозалежний регулятор засипних котлів великої потужності. Цей регулятор – це стандартне обладнання для котлів Q PULS AGRO,Q PLUS AGRO B, Q Max Plus, Q Max Plus DR.

    Автоматика призначена для управління роботою котла центрального опалення, оснащеного вентилятором. Регулятор управляє модульованим наддувом залежно від температури котла, також насосом котла, насосом ЦО, насосом ГВП, насосом клапана і приводом змішувального клапана. До регулятора можна підключити додаткові модулі, що розширюють функціональність автоматики – управління змішувальними клапанами в комплекті з насосами. Управління якими, може бути реалізоване в погодному режимі. Автоматика дає можливість незалежного управління кожним з контурів опалення через окремий кімнатний термостат.

    Контролер оснащений чітким кольоровим дисплеєм. Додатковий інтернет модуль – забезпечує віддалене управління котлом.

    Контакти

    м. Тернопіль вул. Об'їзна, 12/25.1
    Пн - Пт. 09:00-17:00, СБ 9:00 - 13:00

    Напишiть нам